

Download Press Release
The images in more detail
1 Introduction
In Germany, there are around 106,000 road bridges for public motor vehicle traffic. 67,000 bridges are under municipal ownership and maintenance obligation [1] while 39,500 are part of the federal trunk road network which, in turn, belongs to the national network of main arterial roads and highways [2]. A large proportion of all bridges is older than 40 years.
The high investment backlog regarding municipal bridges due to budget deficits in many municipalities is well known. In the report published by the German Institute of Urban Affairs, it is estimated that an investment of 10.7 billion euros will be required by the year 2030. On average, bridges that are the responsibility of the federal states and federal government are considerably larger than municipal bridges. The investment required here is likely to be even higher. Road construction authorities have calculated that upgrade requirements for the 400 major bridges on the federal highways in the state of North Rhine-Westphalia alone will cost 4.5 billion euros in the next 10 years.
Over 70% of the German bridges for public motor vehicle traffic are made of concrete. The expected investment in the coming years will flow mainly into the refurbishment of these bridges and thus also in the renovation of their parapets.
2 General information on the construction and planning of cantilevered parapets
Cantilevered parapets – also known as bridge parapets – form a boundary along the sides of a bridge. They have no direct static benefits. Apart from protecting the bridge sealings, their main purpose is to ensure a visually attractive lateral barrier. Parapets compensate for building inaccuracies that have arisen during construction. In addition, they provide space for pedestrians to cross the bridge and for installing lateral guardrails.
For the construction of cantilevered parapets with concrete cast in situ, a range of auxiliary construction aids made of wood or steel are used depending on the parapet geometry, bridge length as well as the type of bridge. The building contractor can draw on a number of system solutions from different suppliers in addition to the conventional carpenter-based solution.
For longer bridges, movable systems with continuous constructions at the bottom or at the top are frequently used (Image 1; Image 2). Concreting takes place here section by section. A further possibility is the use of bracket scaffolds which can be mounted along the entire length of the bridge (Image 3). The cantilevered parapet can in this case be concreted in one piece.
Connecting these systems to the bridge support structure must be carried out using building authority approved anchors. For new structures, the anchors can be embedded during the construction of the bridge in compliance with the required concrete covering (Image 4).
Their load-bearing capacity is usually very high and installation unproblematic. For refurbishment operations, it is more difficult to realize suitable anchoring. The products that are available to the structural engineer in charge often result in very expensive, labour-intensive assembly and dismantling procedures, or they do not have the required load-bearing capacity.
In the case of brackets for the construction of bridge parapets, there have been only a few "closed system solutions" available up to now. In this context, a "closed system solution" is understood to be a type-tested bracket with perfectly matched components. Thereby, the type testing not only covers special cases but also takes into consideration typical construction site boundary conditions. The most important component of a "closed solution" is the anchoring in the concrete. Ideally, this includes an installation solution for the new structure as well as a subsequent anchoring option, e.g. for refurbishment projects.
3 Special features to be considered when planning with cantilevered parapet brackets
3.1 Lateral inclination of the cantilever arm underside and the longitudinal inclination of the bridge
For constructions that are secured to the underside of the lateral bridge cantilever arm, the inclination of the cantilever arm underside αQ and the longitudinal inclination of the bridge αL have a significant impact on the internal forces in the bracket scaffold and, in particular, the anchoring forces.
With the lateral inclination, there is no "preferred angle" which is normally found on construction sites. With increasing αQ, the horizontal force Vz likewise increases on the suspension shoe (Image 5).
More complex to determine and of greater significance for the load transfer is the influence of the bridge longitudinal inclination. Often it is more than 2% and therefore cannot be ignored. Vertical loads deriving from the live loads and, above all, from the dead weight of the concrete generate a lateral downforce Fll (Image 6) at the height of the decking. This force is then transferred to the bracket via the decks. As a result of the horizontal and vertical anchor spacings, additional forces along with bending and torsional moments are created in the system. These additional loads can be reduced through the use of suitable vertical and horizontal reinforcement and bracing but not completely neutralized as shown in the following section. In the absence of reinforcement, there is a risk that the formwork bracket will be twisted.
The design charts and tables, which are placed at the disposal of the user by the bracket provider, should include details explaining how the longitudinal and lateral inclinations affect the bracket and anchoring forces. If this information is missing, the structural engineer must verify each individual case separately. This may result in considerable additional costs.
3.2 Additional loads on the anchoring as a result of bridge inclinations
Through the bridge lateral and longitudinal inclinations, additional loads are not only generated within the bracket itself but especially in the anchorage as well. The inclinations have a decisive impact on the maximum widths of influence and thus on the maximum permissible bracket spacings.
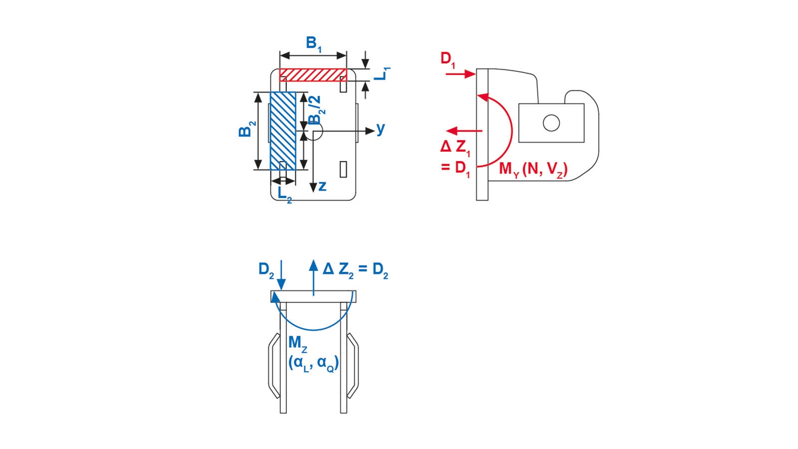
Due to the longitudinal inclination, lateral downforces Fll are generated which have an effect approximately at the level of the decking. In order that the brackets are not twisted, the decking must be designed as a shear panel (Image 6). The downforce causes the moment M(αL) up to the anchoring point. There, the moment MZ can be transferred into the structure. The resulting torsional moment MZ(αL, αQ) is determined via the vector addition which is then transferred by means of the vertical post into the decking of the bracket. This additional torsional load reduces the load-bearing capacity of the bracket but also must be taken into consideration for the verification of the decking.
A further effect resulting from bridge inclinations are additional anchor tension forces (ΔZ1+ΔZ2). These are often greater than the tension force that would be the result if the inclinations were disregarded (Images 7 to 9).
3.3 Approved anchoring for cantilevered parapet brackets
“The committee dealing with interdisciplinary issues relating to the suitability of use (GA 1) of the DIBt (German Institute for Construction Technology) decided in its meeting of 5th September 2001 that the proof of usability for the anchoring of climbing scaffold (consisting of climbing formwork and working platform) is to be provided by means of a general building inspectorate approval or approval in individual cases” [4].
The term "anchoring of climbing scaffold" refers to the temporary or permanent anchoring of bracket scaffolds which also includes climbing formwork, cantilevered parapet formwork and other special scaffolding.
Load transfer means, such as Scaffold Mounting Rings or Suspension Shoes, carry the load from the bracket into the anchorage. At the same time, the eccentricities have to be taken into consideration whereby the internal loads could be significantly greater than the external loads. In some anchor approvals, it is therefore specified which bracket scaffolds and which load transfer means may be combined with the respective anchoring. Furthermore, they contain, among other things, details regarding the permissible scope of application, minimum concrete strength at the time of loading, required edge distances and anchoring depths as well as information on assembly and dismantling.
Particular attention should be paid to the anchoring depth as very often this can no longer be checked after installation has taken place. A suitable anchoring system reduces potential misapplication and allows inspections to be carried out. When assembly work has been completed, the anchors are usually only partially removed again and tie holes sealed. It should be noted that the steel parts remaining in the concrete of bridge support structures may not be less than the the minimum concrete cover cmin of 40 mm or 50 mm.
Scaffold brackets are usually fixed to the embedded anchors by means of bolts or tie rods. With the correct concrete cover, the shear forces are transferred from the bracket into the anchor along the length of the concrete cover. Depending on the parapet geometry and according to the longitudinal and transverse inclinations of the bridge, resulting shear forces can be very high. In addition, it must be noted that many tie rods are not approved in terms of the ability to transer shear forces or even to absorb moments. Frequently, approved anchors are also used which have been designed for other applications.
There are very few anchoring systems on the market that are suitable for refurbishment projects which take into consideration all regulations, static requirements, client requests and, not least, the views of the building contractor. Cost-effective solutions do not meet for the most part the requirements regarding concrete cover or load-bearing capacity. Solutions that fulfil the requirements concerning corrosion and load-bearing capacity are usually expensive or require increased assembly or dismantling effort.
4 Summary
Determining the load transfer for cantilevered parapet formwork and brackets is very time-consuming. Even small changes in the boundary conditions as well as the internal and external eccentricities have a great impact on the internal forces in the load-bearing system and ultimately in the anchor loads. In the static or type test, the bridge lateral and longitudinal inclinations in particular must be taken into consideration, in addition to the parapet geometry. Extrapolation of a special case to the actual conditions on the construction site is not possible.
The failure of a single bracket or individual anchor can lead to the total failure of the entire system with considerable risks for those persons on and under the bridge at the time. In order to increase safety on bridge construction sites, the anchoring is therefore required with approval.
For the user, it is advantageous to use a "closed system" for economic and legal reasons. The economic benefits stem from the fact that individual load-bearing components are perfectly matched to one another and bridge inclinations are also taken into consideration. Furthermore, all load-bearing components have been type-tested and approved. As a result, the user is legally protected.
Reference list
[1] Arndt, Wulf-Holger u. a.: Ersatzneubau Kommunale Straßenbrücken, Endbericht Deutsches Institut für Urbanistik (DIfU), Berlin, 20.9.2013
[2] Brücken an Bundesfernstraßen, Brückenstatistik, Bundesanstalt für Straßenwesen (bast), Bergisch Gladbach, 1.3.2015
[3] Zusätzliche Technische Vertragsbedingungen und Richtlinien für Ingenieurbauten (ZTV-ING), Gesamtfassung ), Bundesanstalt für Straßenwesen (bast), Bergisch Gladbach, März 2015
[4] Scheller, Eckehard: Konsolgerüst-Verankerungen brauchen bauaufsichtliche Zulassung, Allgemeine Bauzeitung, Ausgabe Nr.10, 11. März 2005